Nội Dung Chính
Bếp Gas Miele SmartLine CS 7102-1 FL
Bạn thích nấu ăn và muốn hoàn thiện kỹ năng nấu nướng của mình? Các thiết bị trong dòng Miele SmartLine mới mang đến cho bạn những lựa chọn hoàn hảo để đáp ứng các nhu cầu sáng tạo của bạn. Bếp Gas Miele SmartLine CS 7102-1 FL sẽ là một thiết bị thiết thực giúp bạn hoàn thiện khu vực nấu nướng độc đáo của riêng mình. Dòng sản phẩm được thiết kế rất thanh lịch với bề mặt được làm bằng gốm thủy tinh.

Bảo vệ hiệu quả và làm sạch dễ dàng hơn
Bếp gas Miele được trang bị các kiềng bếp với lớp tráng men bóng mờ, độ bền cao, có thể được làm sạch bằng máy rửa bát. Điều này làm cho việc vệ sinh Bếp Gas Miele SmartLine CS 7102-1 FL trong quá trình sử dụng trở nên đặc biệt dễ dàng và tiết kiệm thời gian. Với bề mặt bếp bằng kính đen rất dễ lau chùi. Nhờ bề mặt nhẵn bóng, nước bắn và các chất bẩn khác được loại bỏ dễ dàng và nhanh chóng.

Nấu nướng an toàn với tính năng GasStop
Để hạn chế khí gas bị rò rỉ ra bên ngoài trong quá trình nấu ăn và để mang lại sự an toàn cao nhất trong quá trình sử dụng, Bếp Gas Miele SmartLine CS 7102-1 FL được trang bị tính năng GasStop. Nếu trong quá trình nấu ăn ngọn lửa bị phụt tắt, chẳng hạn do thức ăn bị sôi trào hoặc do gió lùa, bộ phận đánh lửa với cơ chế an toàn sẽ ngăn không cho khí gas thoát ra ngoài.

Vận hành đơn giản với cơ chế đánh lửa điện tử
Một trong những tính năng giúp cho quá trình sử dụng được đơn giản hơn đó là việc Miele tích hợp các cơ chế đánh lửa bằng điện tử trên dòng sản phẩm Bếp Gas Miele SmartLine CS 7102-1 FL. Với cơ chế này giúp đầu đốt tự động đốt cháy với chỉ một thao tác điều khiển xoay bằng một tay và giữ trong quá trình đánh lửa.

Thiết kế tinh tế với 2 đầu đốt công suất lớn
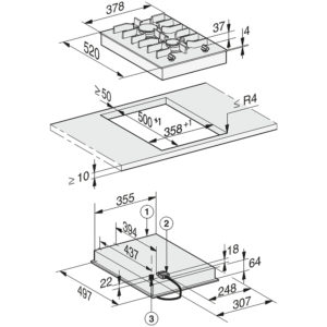
Dòng sản phẩm Bếp Gas Miele SmartLine CS 7102-1 FL được thiết kế với 2 vùng nấu có công suất khác nhau. Trong đó công suất vùng nấu lớn nhất có thể đạt đến 2700W, phục vụ cho việc nấu nướng nhanh hơn với các dụng cụ nấu có đường kính lên đên 240mm. Hai vùng nấu được điều khiển độc lập thông qua núm xoay điều khiển trực quan được làm bằng kim loại đẹp mắt.

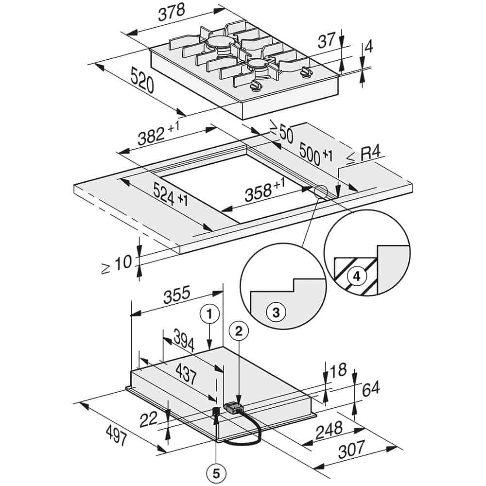
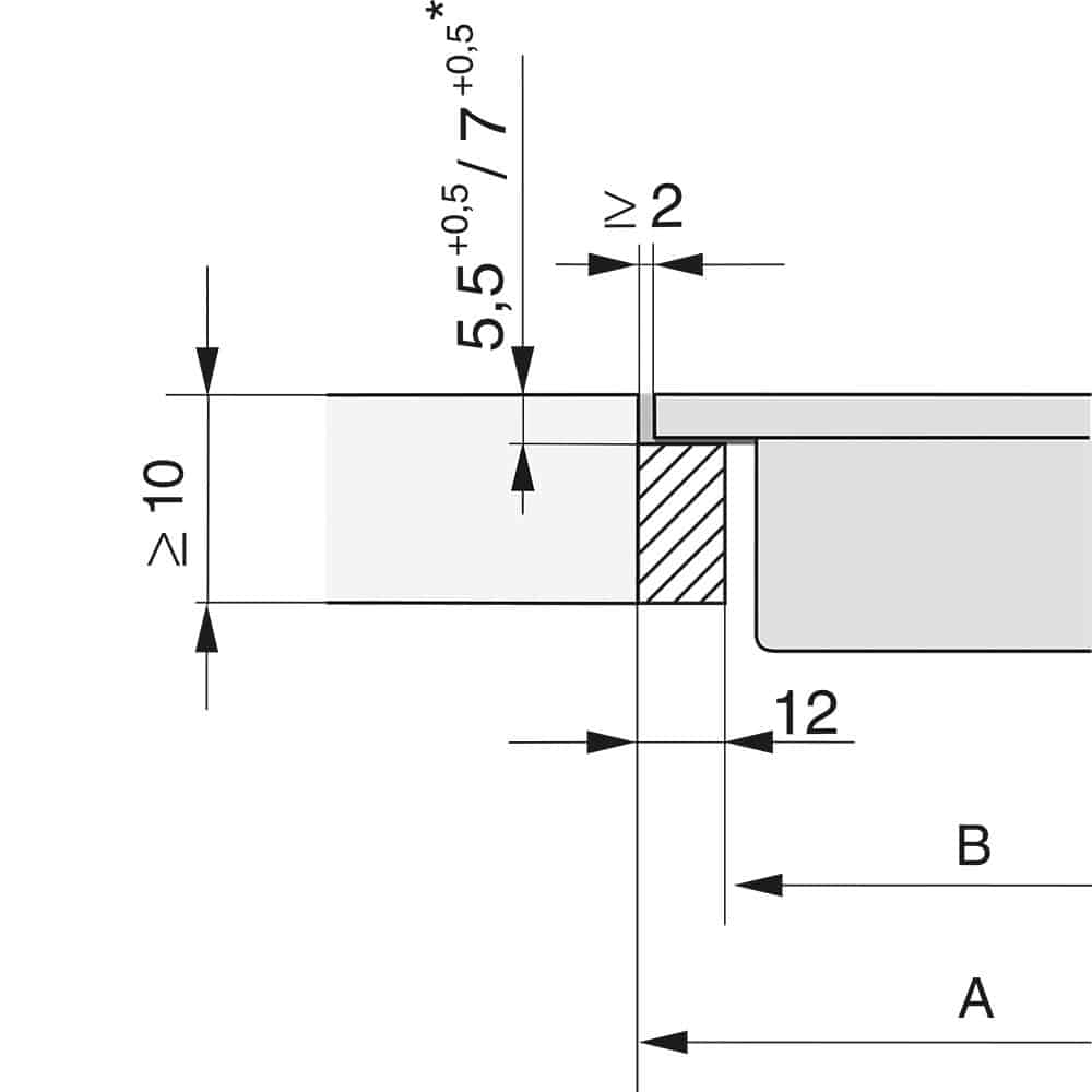
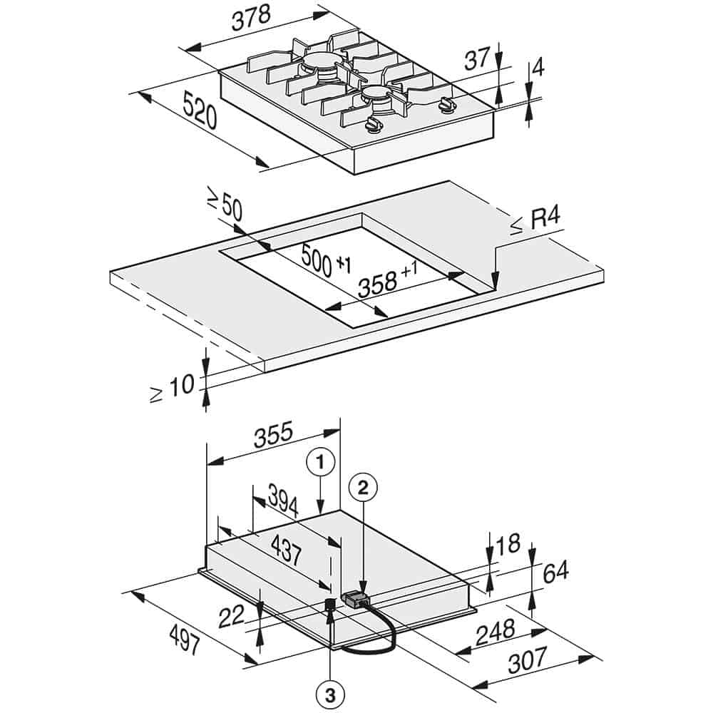
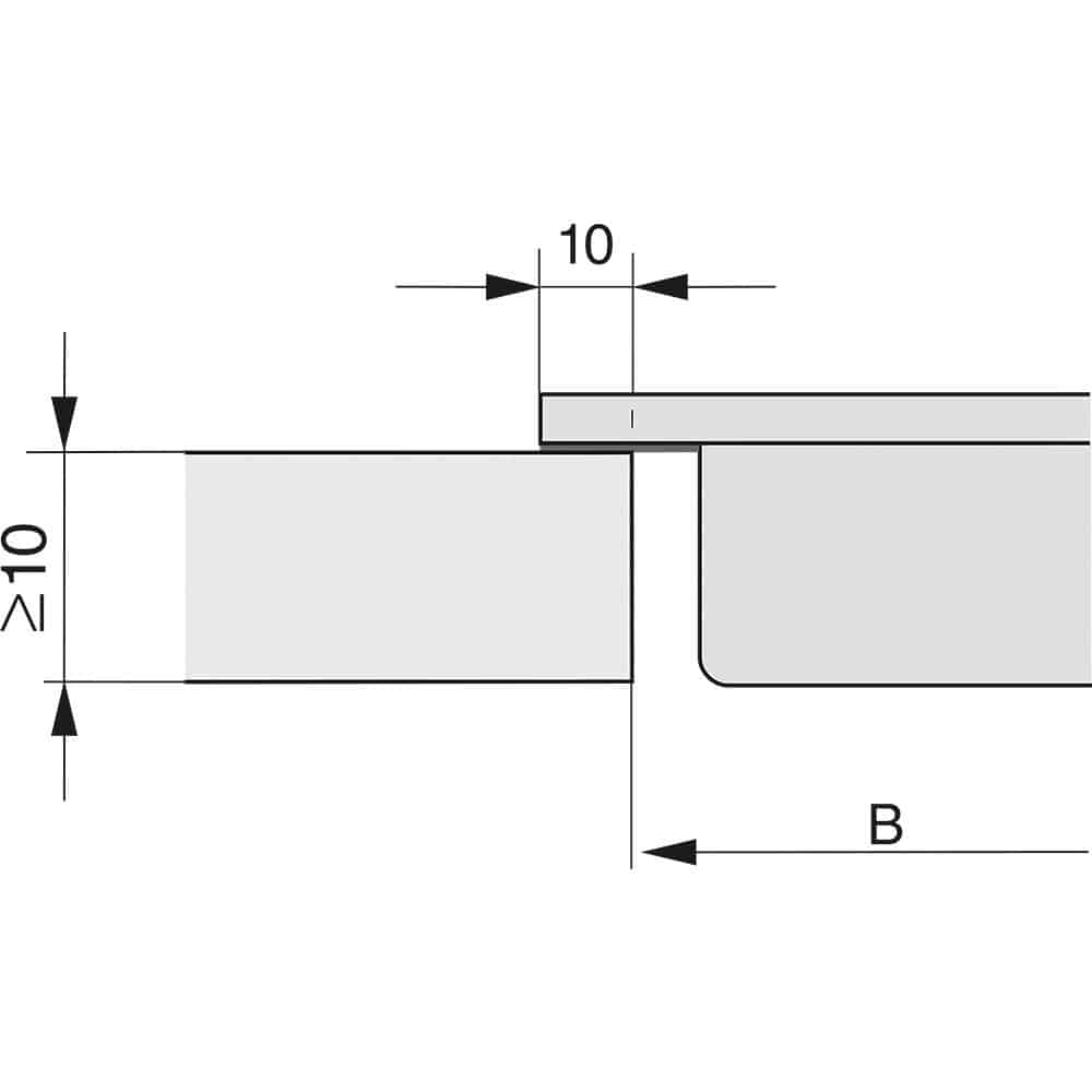
*Hình ảnh trong bài được sử dụng để giải thích, minh họa cho nội dung
Để đặt mua sản phẩm, Quý khách hàng vui lòng liên hệ:
- Hotline: 1900 6774 hoặc 0935030636 để nhận được những tư vấn chi tiết và đặt mua sản phẩm.
- Hoặc Đặt hàng trực tiếp trên website, Gia Dụng Đức Đà Nẵng sẽ gọi lại để xác nhận đơn hàng với quý khách.
- Hoặc Quý khách có thể đến trực tiếp hệ thống showroom của Gia Dụng Đức Đà Nẵng trên toàn quốc để trải nghiệm sản phẩm này.
- Giao hàng nhanh chóng toàn quốc.
- Bảo hành bằng thẻ bảo hành chính hãng từ công ty.
- Hàng đúng nguồn gốc, chính hãng, nhập khẩu Đức & EU.
Ngoài ra, Quý khách có thể tham khảo thêm các sản phẩm khác. Tại đây
Để phục vụ khách hàng tốt hơn trong việc sử dụng hoặc tìm hiểu về các tính năng của các sản phẩm gia dụng. Gia Dụng Đức Đà Nẵng đã cho ra đời kênh Youtube với rất nhiều nội dung thú vị. Quý khách có thể theo dõi kênh youtube bằng liên kết tại đây.



























Đánh giá
Chưa có đánh giá nào.